передаточное отношение 2 ступенчатого редуктора
Редуктор от «А» до «Я»
Редуктор представляет собой составной механизм приводов машин. Его основное назначение — уменьшение частоты вращения ведомого вала при одновременном увеличении крутящего момента. Конструкцией редуктора могут быть предусмотрены одна или несколько передач зацеплением.
1. Классификация редукторов
Редуктор общемашиностроительного назначения. Этот тип оборудования представляет собой самостоятельный агрегат, используемый в приводах машин. Его технические характеристики отвечают общим для разных применений требованиям. Конструктивно общемашиностроительные редукторы могут отличаться.
Специальные редукторы разработаны для автомобильной, авиационной и других узкоспециализированных отраслей. Из названия понятно, что агрегаты этой группы должны соответствовать специфике и параметрам конкретного применения.
Редукторы можно классифицировать по следующим признакам:
1.1 Количество ступеней и расположение валов
У двух- и трехступенчатых редукторов развернутых и раздвоенных схем (в случае с двухступенчатыми моделями еще и соосных схем) есть ряд преимуществ перед агрегатами других типов — прежде всего это высокий КПД и устойчивость к нагрузкам. Соосные цилиндрические редукторы могут комплектоваться тихоходной ступенью с внутренним зацеплением. Планетарные и волновые агрегаты с соосным расположением осей валов также обеспечивают высокую производительность и широкий диапазон передаточных чисел.
При комплектации машин и механизмов, требующих пересекающегося расположения валов, будут эффективны двух- и трехступенчатые конические (коническо-цилиндрические) редукторы.
Агрегаты с червячными (червячно-цилиндрическими, цилиндрическо-червячными) передачами характеризуются высоким передаточным числом и низким уровнем шума. Однако КПД у таких моделей ниже, чем у цилиндрических аналогов.
Вертикальное расположение выходных валов требует меньшего пространства. В механизмах, где необходима подобная компоновка, чаще используются червячные или конические редукторы. Удобство заключается в том, что ось двигателя находится в горизонтальном положении.
Таблица 1. Классификация редукторов по расположению осей валов
Параллельные оси входного/выходного валов
Совпадающие оси входного/и выходного валов (соосный)
1. Горизонтальное
2. Вертикальное
Пересекающиеся оси входного/выходного валов
1. Горизонтальное
2. Горизонтальная ось входного вала и вертикальная ось выходного вала
3. Вертикальная ось входного вала и горизонтальная ось выходного вала
Скрещивающиеся оси входного/выходного валов
1. Горизонтальное (входной вал — над или под выходным валом)
2. Горизонтальная ось входного вала и вертикальная ось выходного вала
3. Вертикальная ось входного вала и горизонтальная ось выходного вала
1.2 Типы используемых передач
1.2.1 Червячные редукторы
Червячный редуктор — наиболее распространенный тип редукторов. Привод имеет компактные размеры (в сравнении с цилиндрическими агрегатами). Передаточное отношение червячной пары может достигать 1-100 (иногда и выше).
Потенциал увеличения крутящего момента при снижении частоты вращения вала у червячных редукторов выше, чем у оборудования с другими типами передач. Передаточное число того же порядка можно получить при эксплуатации трехступенчатого цилиндрического редуктора. В червячных агрегатах для решения этой задачи достаточно одной ступени. Еще одно преимущество — простота и низкая стоимость червячных редукторов. Использование червячного зацепления позволяет снизить уровень шума передачи, обеспечить высокую плавность хода.
Функция самоторможения присутствует только в червячных редукторах. Ее принцип основан на торможении ведомого вала при отсутствии движения на ведущем валу (червяке). Самоторможение в передаче осуществляется в тот момент, когда угол подъема ведущего вала меньше или равен 3,5 градусам.
При выборе червячного редуктора следует учитывать тот факт, что при увеличении передаточного числа снижается КПД червячной передачи. Отсюда — потери энергии вследствие трения червяка об зубья колеса.
Ресурс червячных приводов составляет, в среднем, 10 тысяч часов.
1.2.2 Червячный глобоидный редуктор
Винт глобоидного червячного редуктора имеет выпуклую форму (в других червячных передачах он цилиндрический). Эта конструктивная особенность увеличивает передачу крутящего момента и мощность привода.
Глобоидные редукторы предназначены для использования в условиях, предполагающих высокую надежность, отсутствие обратного проскальзывания и динамических толчков на выходном валу. Чаще всего редукторы этого типа применяются в барабанных приводах лифтов: глобоидная пара адаптирована к переменным нагрузкам, возникающим при подъеме и торможении кабины, в состоянии поддерживать нормальную реверсивность при эксплуатации.
Таблица 2. Допустимые нагрузки для червячных глобоидных редукторов типа ЧГ
Номинальное передаточное число
Частота вращения червяка, об/мин
1.2.3 Цилиндрические редукторы
В цилиндрических редукторах устанавливаются цилиндрические зубчатые передачи. Комплектация таких приводов может отличаться положением входного/выходного валов и количеством ступеней. Одноступенчатые цилиндрические агрегаты классифицируются только по расположению валов. Передаточные числа варьируются в диапазоне 1,6-6,3.
Схемы исполнения цилиндрических пар:
Наиболее распространена развернутая схема. Она позволяет выпускать унифицированные колеса, валы и шестерни, которые подходят для производства редукторов разных типоразмеров. Этот фактор является определяющим для серийного производства, т.к. способствует снижению себестоимости выпускаемой продукции.
С той же целью выбирается левое направление зуба шестерни и правое направление колеса для всех ступеней редуктора. При индивидуальной комплектации единичного редуктора целесообразнее использовать следующую схему: левое направление зуба шестерни на первой ступени, правое — на второй ступени. Такая комплектация снизит осевую нагрузку на опоры.
Форма редукторов, проектируемых по развернутой схеме, удлиненная. Вес такого агрегата будет на 15-20% больше приводов, сконструированных по раздвоенной схеме.
Раздвоенная схема применима для тихоходной и быстроходной ступеней. Во втором варианте она наиболее рациональна, так как промежуточный вал может быть изготовлен по принципу вала-шестерни, а быстроходный вал становится «плавающим».
При соосной схеме оси быстроходного и тихоходного валов совпадают. Вес и габариты редуктора, собранного по соосной схеме, аналогичны моделям с развернутой схемой. Стоимость обоих типов агрегатов практически одинакова.
Одна из основных технических характеристик соосного редуктора — увеличенная мощность быстроходной ступени, что достигается за счет снижения нагрузки на нее. Однако конструктивно такие агрегаты более сложные.
Ресурс цилиндрического редуктора — 25 тысяч часов и более.
Таблица 3. Допустимые нагрузки для цилиндрических редукторов ЦУ (одноступенчатых горизонтальных)
Номинальный вращающий момент на выходном валу, Нм
Номинальная радиальная сила, Н
выходной вал
Таблица 4. Технические параметры цилиндрических редукторов Ц2С (двухступенчатых соосных)
Номинальные передаточные отношения
Номинальный вращающий момент на выходном валу, Нм
Номинальная радиальная сила, Н
1.2.4 Конические редукторы
Конструкцией конического редуктора предусмотрены колеса с прямыми и круговыми зубьями. Направления наклона линии зуба и вращения колеса должны совпадать. Соблюдение этого условия позволяет предотвратить затягивание шестерни в зацепление, возникающее под действием отрицательной осевой силы на шестерне.
Передаточное отношение конического редуктора — 1-5.
Зубчатое колесо устанавливается между опорами редуктора. Шестерни монтируются консольно.
1.2.5 Коническо-цилиндрические редукторы
Данный тип механизмов представляет собой гибрид цилиндрического одноступенчатого и конического редукторов. Соответственно, этой группе оборудования присущи все достоинства и недостатки агрегатов обоих типов.
Все коническо-цилиндрические редукторы имеют быстроходную коническую ступень. Такая конструктивная особенность объясняется невысокой нагрузочной способностью и, соответственно, большими габаритами агрегата. С целью уменьшения размеров привода и используется быстроходная коническая ступень.
Коническая передача может использоваться в тихоходных и промежуточных ступенях, что оправдано необходимостью снижения ее чувствительности к погрешностям при производстве и установке, минимизацией их влияния на механизм в целом.
Направление зуба в косозубой цилиндрической паре должно быть выбрано с учетом возможности вычитания осевых сил на промежуточных валах.
Таблица 5. Коэффициент режима эксплуатации коническо-цилиндрических редукторов (двухступенчатых и трехступенчатых)
Характер режима нагрузки
Суточная продолжительность эксплуатации
1.2.6 Насадные редукторы
Насадными редукторами называются агрегаты с полым выходным валом. Они монтируются непосредственно на вал — без дополнительных соединений и передач. Преимущество насадных редукторов заключается в более компактных габаритах и сравнительно невысоком весе.
Насадный способ монтажа, как правило, применим к червячным и некоторым другим типам редукторов. Исключение составляет цилиндрическая соосная группа оборудования, конструктивные особенности которой затрудняют такую установку.
При резкой динамике нагрузки на выходной вал (чаще всего при нештатных ситуациях) отсутствие соединительной муфты может стать причиной преждевременного выхода из строя приводного оборудования. Поэтому эксплуатация редуктора требует создания условий эксплуатации при равномерной нагрузке. Как вариант – дополнительная защита привода.
1.2.7 Планетарные редукторы
Планетарные (дифференциальные) редукторы состоят из центральной шестерни (солнечной), расположенной в центре редуктора, вспомогательных шестерней одинакового размера (сателлитов), установленных вокруг центральной шестерни, и фиксатора (водила), обеспечивающего их надежное крепление. Конструкцией планетарного редуктора также предусмотрена кольцевая шестерня, внешне напоминающая зубчатое колесо. Ее предназначение – обеспечение сцепления с сателлитами. Центральная шестерня является ведущим элементов, сателлиты — ведомыми. Кольцевая шестерня всегда неподвижна.
Конструктивно исполнения планетарных редукторов могут отличаться. Модели классифицируются по количеству ступеней (одно-, двух- и трехступенчатые), кинематической схеме планетарной передачи. Тип подшипников также отличается. Подшипники качения предназначены для режимов эксплуатации на низкой скорости. В свою очередь, подшипники скольжения рассчитаны на режим высоких скоростей. Основная сфера использования планетарных редукторов — машиностроение.
Планетарные агрегаты МПО классифицируются как универсальное приводное оборудование. Они широко используются в приводах перемешивающих механизмов медицинской, химической, микробиологической промышленностях, а также в приводах общепромышленного назначения. Редукторы серии МПО могут эксплуатироваться в режиме 24 часа в сутки при постоянной и переменной нагрузках.
К планетарным редукторам предъявляются жесткие требования. Производство такого оборудования требует высокой точности, чтобы зубцы плотно соприкасались между собой, но при этом легко приводились в движение.
Таблица 6. Технические параметры планетарных редукторов Пз (зубчатые одноступенчатые)
Передаточное отношение 2 ступенчатого редуктора
Двухступенчатый цилиндрический зубчатый редуктор
Изучение конструкции цилиндрического двухступенчатого зубчатого редуктора. Составление эскиза редуктора, его кинематической схемы, расчетной схемы вала и чертежа одного вала.
Измерение и вычисление основных параметров редуктора: передаточного отношения, межосевых расстояний, геометрических параметров зубчатых колес и, в частности, их модуля. Выполнение силового расчета одной ступени и расчет одного вала на прочность.
2. Оборудование и инструменты
1) Редуктор Ц2У-100-20-12-У1.
4) Металлическая линейка.
3. Основные сведения о редукторах
3.1. Схемы зубчатых редукторов
Редукторы бывают одно- и многоступенчатые. Передаточное число многоступенчатого редуктора равно произведению передаточных чисел отдельных ступеней
u ред = u 1 ∙ u 2 ∙ u 3 ∙…∙ u n (1)
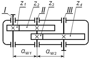
Передаточное число редуктора с одной ступенью в виде цилиндрической пары колес (см. рисунок 1а) обычно не превышает umax = 12,5. Для конических косозубых передач (см. рисунок 1б) umax = (5-6). Двухступенчатые редукторы (см. рисунок 1в, г, д) имеют большие передаточные числа, но не выше umax = 63. При u более 63 редукторы делают трехступенчатыми.
a) 
в) 
д)
Рис. 1. Схемы зубчатых редукторов
Двухступенчатые редукторы выполняют по развернутой схеме (см. рисунок 1в, д). Если оси входного и выходного валов совпадают, образуя одну линию, то такие редукторы называются соосными (см. рисунок 1г). Их преимущество – меньшая длина, чем по схеме, представленной на рисунке 1в. Несимметричное расположение зубчатых колес относительно опор (рисунок 1в) приводит к неравномерному распределению предаваемой силы по длине зуба. В схеме с раздвоенной первой ступенью (рисунок 1д) более нагруженная тихоходная ступень расположена относительно опор симметрично, что благоприятно сказывается на ее работе. Для передачи больших крутящих моментов и исключения осевых нагрузок параллельно работающие пары колес быстроходной ступени делают косозубыми с противоположными углами наклона зубьев, а колеса тихоходной ступени делают шевронными. Устройство опор в этом случае должно позволять некоторое осевое смещение одного из валов.
Очень важным вопросом, влияющим на основные параметры редуктора, является вопрос о разбивке общего передаточного отношения редуктора по отдельным ступеням. Желательно, чтобы ведомые зубчатые колеса обеих ступеней были близкими по диаметру. При этом обеспечивается хорошая смазка зубчатых зацеплений.
Разбивка передаточного отношения определяется специальными требованиями, которые предъявляются при проектировании редуктора – критериями оптимальности. Такими критериями могут быть: минимальная масса редуктора, минимальные размеры по высоте, минимальные межосевые расстояния и т.п. Более обстоятельно вопрос о разбивке передаточного отношения по ступеням изложен в учебниках [1, 2, 3].
3.2. Материалы зубчатых колес
Материалы для изготовления зубчатых колес в машиностроении – стали, чугуны и пластмассы; в приборостроении зубчатые колеса изготавливают также из латуни, алюминиевых сплавов и др. Выбор материала определяется назначением передачи, условиями ее работы, габаритами колес и даже типом производства (единичное, серийное или массовое) и технологическими соображениями.
Основными материалами для изготовления зубчатых колес являются термообработанные углеродистые и легированные стали, обеспечивающие объемную прочность зубьев, а также высокую твердость и износостойкость их активных поверхностей. В зависимости от твердости активных поверхностей зубьев стальные колеса делятся на две группы, а именно: колеса с твердостью по Бринеллю ≤ 
Для изготовления тихоходных, преимущественно открытых передач, работающих с окружной скоростью до 3 м/с, применяют серые, модифицированные и высокопрочные чугуны.
Нагрузочная способность зубчатых колес из неметаллических материалов значительно ниже, чем стальных, поэтому их используют в слабонагруженных передачах, к габаритам которых не предъявляется жестких условий, но требуется снижение шума и вибраций, самосмазываемость или химическая стойкость. Для стальных колес в целях выравнивания долговечности и улучшения прирабатываемости следует твердость активных поверхностей зубьев шестерни делать большей, чем у колеса: НВ1ср – НВ2ср ≥ 
3.3. Опоры валов редуктора
Опорами в редукторе могут служить подшипники качения. Работоспособность подшипников качения в значительной степени зависит от рациональной конструкции подшипникового узла, качества его монтажа и регулировки.
a)
б)
в)
Рис. 2. Схемы установки подшипников качения на валах
Во избежание защемления вала при его температурном удлинении, между крышкой подшипника и одним из его наружных колец оставляется небольшой зазор δ (0,1-0,2) мм. Этот зазор регулируется изменением толщины набора прокладок под крышку подшипника.
3.4. Смазка зубчатых зацеплений
Наиболее распространенный способ смазки зубчатых зацеплений в редукторах – картерный. Он применяется при окружных скоростях колес до (12-15) м/сек и осуществляется окунанием зубьев зубчатых колес в масло, залитое в масляную ванну – картер.
Емкость масляной ванны определяется из расчета ( 0,5-0,7) литра на 1 кВт передаваемой мощности.
Глубину погружения зубчатых колес в масло рекомендуется выбирать в пределах от 0,75 до 2-х высот зубьев, но не ниже 10 мм. Более глубокое погружение допустимо для колес тихоходной ступени. Для смазки широко используются жидкие индустриальные масла различной вязкости.
Конкретную марку масла выбирают в зависимости от окружной скорости и величины контактных напряжений [2].
3.5. Смазка подшипниковых узлов
Для уменьшения потерь в результате трения, отвода теплоты, защиты от коррозии, уменьшения шума при работе применяют смазывание подшипников качения, причем используют жидкие и пластичные смазочные материалы. При выборе смазочного материала необходимо учитывать следующие факторы: размеры подшипника и частоту его вращения, величину нагрузки, рабочую температуру узла и состояние окружающей среды.
Для подшипников, работающих с окружной скоростью до (4-5) м/с, можно применять и жидкие, и пластичные смазочные материалы, при больших скоростях рекомендуется жидкая смазка. Чем выше нагрузка на подшипник, тем вязкость масла или консистенция пластичного смазочного материала должна быть больше, так как при этом прочность его граничного слоя увеличивается. С повышением рабочей температуры вязкость и консистенция смазочного материала понижаются.
Для предотвращения вытекания смазочного материала и защиты подшипников от попадания извне пыли, грязи и влаги применяются уплотнительные устройства. По принципу действия эти устройства подразделяют на контактные, щелевые, лабиринтовые, центробежные и комбинированные.
4. Измерение и расчет основных параметров цилиндрического зубчатого редуктора
4.1. Определение передаточного отношения редуктора
Передаточное число редуктора определяется из выражения (1).
4.2. Определение нормальных модулей зацеплений
В начале измеряют диаметры вершин зубьев d a и диаметры впадин зубьев d f всех четырех зубчатых колес. Каждое измерение выполняется 3 раза с поворотом зубчатого колеса. Для дальнейших вычислений принимают среднее арифметическое значение измеренных диаметров.
Нормальный модуль определяют из выражения
m n = h 2,25 ; (5)
Вычисленное значение модуля для первой и второй пары зубчатых колес необходимо уточнить по ГОСТ 9563, выдержка из которого приводится в таблице 1.
Таблица 1. Значения модулей зубчатых колес по ГОСТ 9563
Передаточное число редуктора — определение, типы редукторов, вычисление
Червячные редукторы относятся к классу наиболее распространенных редукторных механизмов. Благодаря оптимальной цене они востребованы как для оснащения быттехники, так и для комплектации тяжелого промышленного оборудования (такие передачи незаменимы в механизмах конвейерных систем).
Функции червячного агрегата сводятся к 2 базовым пунктам – преобразованию момента силы (наращиванию крутящего момента) и одновременному контролю (регулировке) угловых скоростей вращательного движения элементов двигателя. Плюсы – цена, способность сокращения передач и самоторможение. Устройство работает в диапазоне от 20 к 1 до 300 к 1 и более.
Принцип действия
Основная особенность системы с червяком – самоторможение – делает его особенно актуальным для комплектации производственного и промышленного (профессионального) оборудования. За счет самоторможения шестеренка приходит в движение под воздействием винта (червяка), но сама она при этом винт не вращает.
Принцип построен на взаимодействии двух функциональных элементов:
Передаточное число
Передаточное число редуктора рассчитывается по формуле:
I = N1/N2
где
N1 – скорость вращения вала (количество об/мин) на входе;
N2 – скорость вращения вала (количество об/мин) на выходе.
Полученное при расчетах значение округляется до значения, указанного в технических характеристиках конкретного типа редукторов.
Таблица 2. Диапазон передаточных чисел для разных типов редукторов
| Тип редуктора | Передаточные числа |
|---|---|
| Червячный одноступенчатый | 8-80 |
| Червячный двухступенчатый | 25-10000 |
| Цилиндрический одноступенчатый | 2-6,3 |
| Цилиндрический двухступенчатый | 8-50 |
| Цилиндрический трехступенчатый | 31,5-200 |
| Коническо-цилиндрический одноступенчатый | 6,3-28 |
| Коническо-цилиндрический двухступенчатый | 28-180 |
ВАЖНО!
Скорость вращения вала электродвигателя и, соответственно, входного вала редуктора не может превышать 1500 об/мин. Правило действует для любых типов редукторов, кроме цилиндрических соосных со скоростью вращения до 3000 об/мин. Этот технический параметр производители указывают в сводных характеристиках электрических двигателей.
Порядок выбора червячного редуктора
Среди достоинств данного агрегата – обоснованная цена червячного редуктора. Но даже с ее учетом подбор должен быть очень выверенным. Чтобы купить оборудование, которое оптимально впишется в используемую программу технического оснащения, необходимо разобраться с базовыми параметрами выбора червячного редуктора. В данной системе расчетов параметров для определения цены присутствуют такие характеристики, как:
Определение передаточного числа
Начинается выбор червячного редуктора с расчета передаточного отношения – соотношения зубьев ведомой шестерни с количеством зубьев ведущего червяка. От этого зависит кратность увеличения крутящего момента при движении червяка.
Для расчета передаточного числа (требуемого) с целью правильного выбора червячного редуктора используется формула вида:
Результаты нужно округлить. После чего можно купить модель, руководствуясь таблицей передаточных чисел для разных вариаций механизмов.
Расчет количества ступеней
Расчет передаточного числа является ключевым и при определении требуемого числа ступеней. Во исполнение последней задачи необходимо подобрать систему, согласно полученному соотношению, из таблицы, приведенной ниже.
| Выбор червячного редуктора | Передаточные числа |
|---|---|
| одноступенчатый | 8–80 |
| двухступенчатый | 100–4000 |
Выбор червячного редуктора по габаритам
Грамотный выбор червячного редуктора по габаритным параметрам требует приведение в соответствие параметров мощности, оборотов двигателя с типом приводного механизма. Чтобы определиться, какой типоразмер нужно купить именно вам, используйте формулу:
Т= (9550 * Р * U * N) / (К * N вх.).
Расчет времени включения осуществляется так:
Важное условие: полученный момент не должен превышать номинального крутящего момента. Последний указан в паспорте (технические характеристики червячного редуктора). Это необходимо для продолжительной работы валов механизма (во избежание разницы между нагрузками, прикладываемыми де-факто, и предусмотренными в паспорте).
Где купить червячный редуктор
Если вы планируете купить червячный редуктор на долгосрочную перспективу по обоснованной цене, нам есть что вам предложить. ПТЦ «Привод» много лет занимается поставками данной техники по всей России и в страны СНГ.
Мы предлагаем только высоконадежные качественные агрегаты по эффективной цене производителя с гарантиями долгосрочной службы. Осуществляем полное сопровождение заказа – от помощи в построении системы требований до выбора червячного редуктора, соответствующего заявленным условиям работы.
Мощность привода
Правильно рассчитанная мощность привода помогает преодолевать механическое сопротивление трения, возникающее при прямолинейных и вращательных движениях.
Элементарная формула расчета мощности – вычисление соотношения силы к скорости.
При вращательных движениях мощность вычисляется как соотношение крутящего момента к числу оборотов в минуту:
P = (MxN)/9550
где
M – крутящий момент;
N – количество оборотов/мин.
Выходная мощность вычисляется по формуле:
P2 = P x Sf
где
P – мощность;
Sf – сервис-фактор (эксплуатационный коэффициент).
ВАЖНО!
Значение входной мощности всегда должно быть выше значения выходной мощности, что оправдано потерями при зацеплении:
P1 > P2
Нельзя делать расчеты, используя приблизительное значение входной мощности, так как КПД могут существенно отличаться.
Как рассчитать передаточное число редуктора
Определяем передаточное отношение редуктора вручную
Мотор-редукторы данной группы классифицируются по типу взрывозащитного исполнения:
Червячные редукторы
Червячные редукторы получили большую популярность в виду своей простоты и достаточно низкой стоимости. Из всех видов червячных редукторов наиболее распространены редукторы с цилиндрическими или глобоидными червяками. Как и многие другие типы редукторов червячные могут состоять из одной или нескольких ступеней. На одноступенчатом редукторе передаточное отношение может быть в пределах 5-100, а на двух ступенях может достигать 10000. Основными достоинствами редукторов червячного типа являются компактные размеры, плавность хода и самоторможение. Из недостатков можно отметить не очень высокий КПД и ограниченная нагружаемая способность. Основными элементами являются зубчатое колесо и цилиндрический червяк. Цилиндрический червяк представляет собой винт с нанесенной на его поверхности резьбой определенного профиля. Число заходов зависит от передаточного отношения, и может составлять от 1 до 4. Вторым основным элементом редуктора является червячное колесо. Оно представляет собой зубчатое колесо из сплава бронзы, количество зубьев также зависит от передаточного отношения и может составлять 26-100.
В ниже приведенной таблице представлена зависимость передаточного отношения от количества зубов колеса и заходов винта.














